The current position >> Home > Application >>  Automotive
  • RC-280RA/RC-280SA

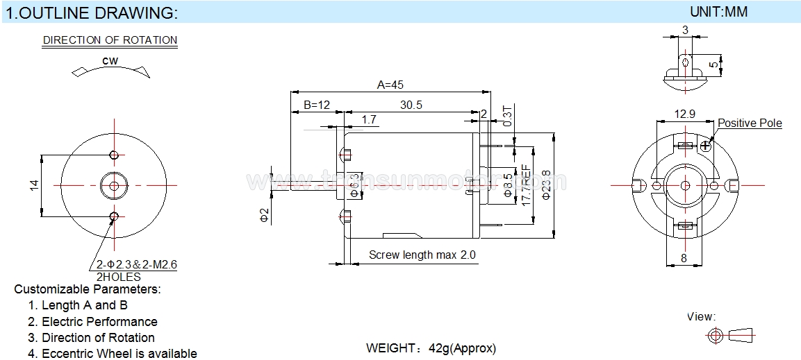
RC-280RA/RC-280SA

Output: APPROX 0.5-12.0W

Precious Metal-brush DC Motor/Carbon-brush DC Motor


Typical Application:

Electric Toys

Wireless Control Models

Household Appliances

Dimensions